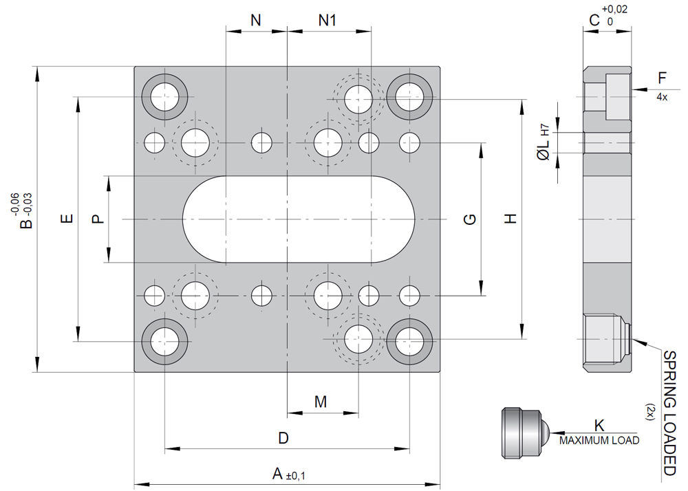
Glidplatta 12
A = 60
B = 80
C = 9,5
D = 48
E = 68
F = M5
G = 30
H = 52
L = 4
M = 14
N = 12
N1 = 16,5
P = 17
K = 2Kg


FORMSTÄLL

