0 VAROR | 0 SEK I VARUKORGEN
GÅ TILL KASSAN
0 FAVORITER
SE FAVORITER
Start
Formverktyg
Automation
Maskiner/Kringutrustning
Kontakta oss
Kontakta oss
Hitta till oss
Försäljning
Administration
Logistik
Jour
Företaget
Om oss
Försäljningsvillkor
Produktprogram
Återförsäljare
Återförsäljare
Sverige
Danmark
Finland
Norge
Logga in
Formverktyg
FORMSTÄLL
P-MATERIAL
UTSTÖTARE
KOMPONENTER
HYDRAULIK / TRYCKLUFT
KYLNING / TEMPERERING
VARMKANALER
EL-KOMPONENTER
Produkter
»
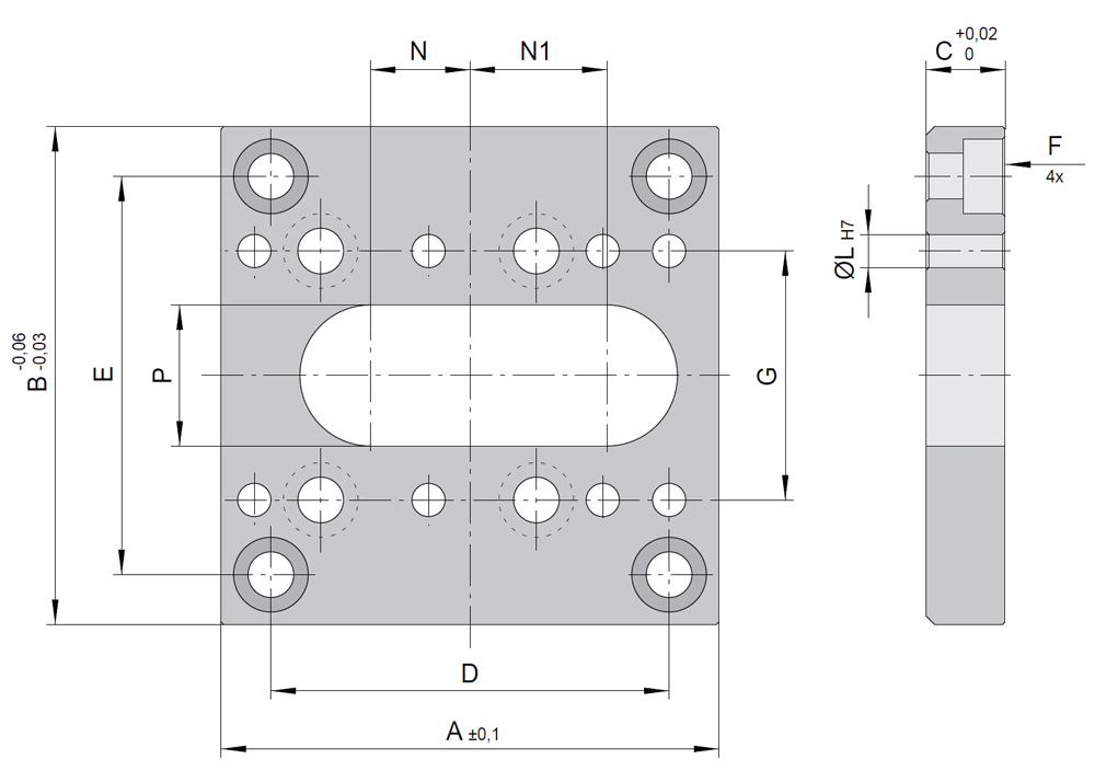
Glidplatta 20
A
=
100
B
=
120
C
=
11,5
D
=
80
E
=
90
F
=
M8
G
=
48
L
=
8
N
=
23,5
N1
=
27
P
=
27
Glidplatta 20
100x120x11,5
PDF Mer Information
Artnr: PS20120
För priser, ansök om konto här!