IMC
0 VAROR | 0 SEK I VARUKORGEN
GÅ TILL KASSAN
0 FAVORITER
SE FAVORITER
Sverige Danmark England
Formverktyg
pil FORMSTÄLL
pil P-MATERIAL
pil UTSTÖTARE
pil KOMPONENTER
pil HYDRAULIK / TRYCKLUFT
pil KYLNING / TEMPERERING
pil VARMKANALER
pil EL-KOMPONENTER
pil UTRUSTNING FÖR VERKSTAD

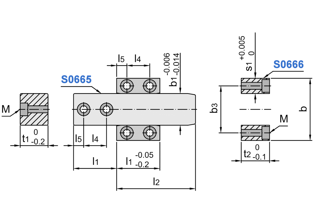
Rakstyrning SET 44x20x154

Rakstyrning SET 44x20x154
Rakstyrning SET 44x20x154
b = 84
b3 = 64
I1 = 62
I4 = 38
I5 = 12
t1 = 38
t2 = 38,7
M = M8
b1 = 44
s1 = 20
I2 = 154

Rakstyrning SET 44x20x154

med DLC-belagda Guideblock

Ett SET  =
1st Styrtapp + 2st Guideblock

Material: 1.7139 ca. 700HV

Artnr: S0664/44x20x154

För priser, ansök om konto här!